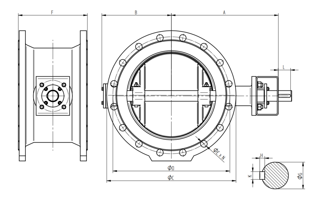
Leptirasti zatvarači s trostrukim ekscentrom - Izvedba s prirubnicama
| A | B | ØC | F | ØD | ØE | N | ØG | K | H | L | ISO5211 | Weight |
DN200 | 340 | 186 | 340 | 230 | 295 | 22 | 8 | 22 | 8 | 7 | 25 | F07 | 45 |
DN250 | 370 | 216 | 395 | 250 | 350 | 22 | 12 | 28 | 8 | 7 | 35 | F10 | 65 |
DN300 | 395 | 241 | 445 | 270 | 400 | 22 | 12 | 28 | 8 | 7 | 35 | F10 | 80 |
DN350 | 430 | 271 | 505 | 290 | 460 | 22 | 16 | 36 | 10 | 8 | 45 | F12 | 106 |
DN400 | 465 | 301 | 565 | 310 | 515 | 26 | 16 | 36 | 12 | 8 | 45 | F12 | 136 |
DN450 | 490 | 330 | 615 | 330 | 565 | 26 | 20 | 48 | 14 | 9 | 55 | F14 | 166 |
DN500 | 520 | 357 | 670 | 350 | 620 | 26 | 20 | 48 | 14 | 9 | 55 | F14 | 200 |
DN600 | 630 | 412 | 780 | 390 | 725 | 30 | 20 | 55 | 16 | 10 | 70 | F16 | 289 |
DN700 | 695 | 473 | 895 | 430 | 840 | 30 | 24 | 65 | 18 | 11 | 100 | F25 | 469 |
DN800 | 675 | 533 | 1015 | 470 | 950 | 33 | 24 | 70 | 20 | 12 | 100 | F25 | 620 |
DN900 | 965 | 583 | 1115 | 510 | 1050 | 33 | 28 | 80 | 22 | 14 | 125 | F30 | 835 |
DN1000 | 1030 | 641 | 1230 | 550 | 1160 | 36 | 28 | 85 | 22 | 14 | 125 | F30 | 1105 |
DN1200 | 1155 | 758 | 1455 | 630 | 1380 | 39 | 32 | 100 | 28 | 16 | 170 | F35 | 1661 |
| A | B | ØC | F | ØD | ØE | N | ØG | K | H | L | ISO5211 | Weight |
DN200 | 340 | 189 | 340 | 230 | 295 | 22 | 12 | 28 | 8 | 7 | 35 | F10 | 47 |
DN250 | 380 | 221 | 405 | 250 | 355 | 26 | 12 | 28 | 8 | 7 | 35 | F10 | 67 |
DN300 | 410 | 249 | 460 | 270 | 410 | 26 | 12 | 36 | 10 | 8 | 45 | F12 | 93 |
DN350 | 445 | 282 | 520 | 290 | 470 | 26 | 16 | 48 | 14 | 9 | 55 | F14 | 125 |
DN400 | 480 | 312 | 580 | 310 | 525 | 30 | 16 | 48 | 14 | 9 | 55 | F14 | 159 |
DN450 | 565 | 342 | 640 | 330 | 585 | 30 | 20 | 50 | 14 | 9 | 70 | F16 | 201 |
DN500 | 615 | 380 | 715 | 350 | 650 | 33 | 20 | 55 | 16 | 10 | 70 | F16 | 258 |
DN600 | 690 | 446 | 840 | 390 | 770 | 36 | 20 | 65 | 18 | 11 | 100 | F25 | 394 |
DN700 | 710 | 480 | 910 | 430 | 840 | 36 | 24 | 72 | 20 | 12 | 100 | F25 | 505 |
DN800 | 925 | 538 | 1025 | 470 | 950 | 39 | 24 | 80 | 22 | 14 | 125 | F30 | 692 |
DN900 | 975 | 588 | 1125 | 510 | 1050 | 39 | 28 | 90 | 25 | 15 | 125 | F30 | 899 |
DN1000 | 1055 | 658 | 1255 | 550 | 1170 | 42 | 28 | 100 | 28 | 16 | 170 | F35 | 1303 |
DN1200 | 1185 | 773 | 1485 | 630 | 1390 | 48 | 32 | 120 | 32 | 18 | 170 | F35 | 1925 |
| A | B | ØC | F | ØD | ØE | N | ØG | K | H | L | ISO5211 | Weight |
DN200 | 360 | 199 | 360 | 230 | 310 | 26 | 12 | 28 | 8 | 7 | 35 | F10 | 59 |
DN250 | 400 | 231 | 425 | 250 | 370 | 30 | 12 | 36 | 10 | 8 | 45 | F12 | 89 |
DN300 | 435 | 265 | 485 | 270 | 430 | 30 | 16 | 48 | 14 | 9 | 55 | F14 | 122 |
DN350 | 480 | 300 | 555 | 290 | 490 | 33 | 16 | 48 | 14 | 9 | 55 | F14 | 160 |
DN400 | 570 | 332 | 620 | 310 | 550 | 36 | 16 | 55 | 16 | 10 | 70 | F16 | 215 |
DN450 | 595 | 357 | 670 | 330 | 600 | 36 | 20 | 55 | 16 | 10 | 70 | F16 | 161 |
DN500 | 630 | 391 | 730 | 350 | 660 | 36 | 20 | 65 | 18 | 11 | 100 | F25 | 347 |
DN600 | 845 | 448 | 845 | 390 | 770 | 39 | 20 | 75 | 20 | 12 | 125 | F30 | 519 |
DN700 | 910 | 506 | 960 | 430 | 875 | 42 | 24 | 85 | 22 | 14 | 125 | F30 | 683 |
DN800 | 985 | 573 | 1085 | 470 | 990 | 48 | 24 | 95 | 25 | 15 | 170 | F35 | 947 |
DN900 | 1035 | 623 | 1185 | 510 | 1090 | 48 | 28 | 105 | 28 | 16 | 170 | F35 | 1175 |
DN1000 | 1170 | 690 | 1320 | 550 | 1210 | 56 | 28 | 115 | 32 | 18 | 190 | F40 | 1556 |
| A | B | ØC | F | ØD | ØE | N | ØG | K | H | L | ISO5211 | Weight |
DN200 | 345 | 191 | 345 | 230 | 298,5 | 22 | 8 | 28 | 8 | 7 | 35 | F10 | 57 |
DN250 | 380 | 221 | 405 | 250 | 362 | 25 | 12 | 36 | 10 | 8 | 45 | F12 | 85 |
DN300 | 435 | 265 | 485 | 270 | 431,8 | 25 | 12 | 48 | 14 | 9 | 55 | F14 | 129 |
DN350 | 460 | 290 | 535 | 290 | 476,3 | 28 | 12 | 48 | 14 | 9 | 55 | F14 | 151 |
DN400 | 545 | 320 | 595 | 310 | 539,8 | 28 | 16 | 55 | 16 | 10 | 70 | F16 | 200 |
DN450 | 560 | 340 | 635 | 330 | 577,9 | 31 | 16 | 55 | 16 | 10 | 70 | F16 | 232 |
DN500 | 600 | 376 | 700 | 350 | 635 | 31 | 20 | 65 | 18 | 11 | 100 | F25 | 313 |
DN600 | 665 | 433 | 815 | 390 | 749,3 | 34 | 20 | 72 | 20 | 12 | 100 | F25 | 467 |
Tehnički i savjetodavni
Kontaktirajte nas za tehničke informacije i savjetovanje
Naš tim stoji vam na raspolaganju za sva pitanja vezana uz specifikacije, izvedbu i primjenu proizvoda u vašem sustavu.



