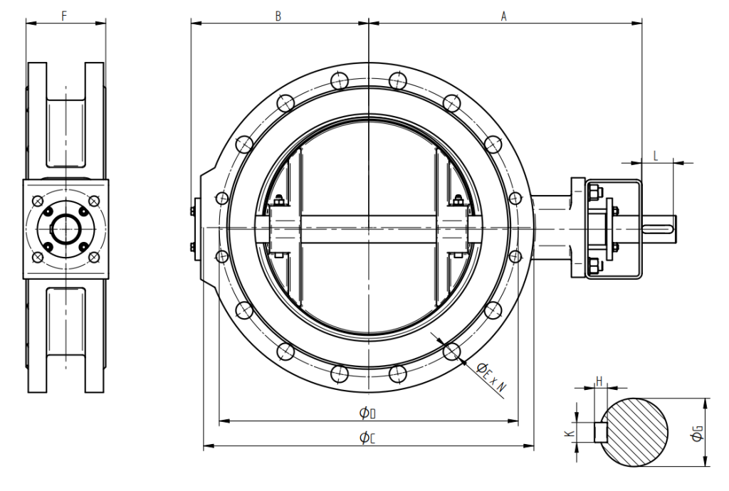
Leptirasti zatvarači s trostrukim ekscentrom - Wafer izvedba
| A | B | ØC | F | ØD | ØE | N | ØG | K | H | L | ISO5211 | Weight |
DN200 | 340 | 186 | 340 | 230 | 295 | 22 | 8 | 22 | 8 | 7 | 25 | F07 | 45 |
DN250 | 370 | 216 | 395 | 250 | 350 | 22 | 12 | 28 | 8 | 7 | 35 | F10 | 65 |
DN300 | 395 | 241 | 445 | 270 | 400 | 22 | 12 | 28 | 8 | 7 | 35 | F10 | 80 |
DN350 | 430 | 271 | 505 | 290 | 460 | 22 | 16 | 36 | 10 | 8 | 45 | F12 | 106 |
DN400 | 465 | 301 | 565 | 310 | 515 | 26 | 16 | 36 | 12 | 8 | 45 | F12 | 136 |
DN450 | 490 | 330 | 615 | 330 | 565 | 26 | 20 | 48 | 14 | 9 | 55 | F14 | 166 |
DN500 | 520 | 357 | 670 | 350 | 620 | 26 | 20 | 48 | 14 | 9 | 55 | F14 | 200 |
DN600 | 630 | 412 | 780 | 390 | 725 | 30 | 20 | 55 | 16 | 10 | 70 | F16 | 289 |
DN700 | 695 | 473 | 895 | 430 | 840 | 30 | 24 | 65 | 18 | 11 | 100 | F25 | 469 |
DN800 | 675 | 533 | 1015 | 470 | 950 | 33 | 24 | 70 | 20 | 12 | 100 | F25 | 620 |
DN900 | 965 | 583 | 1115 | 510 | 1050 | 33 | 28 | 80 | 22 | 14 | 125 | F30 | 835 |
DN1000 | 1030 | 641 | 1230 | 550 | 1160 | 36 | 28 | 85 | 22 | 14 | 125 | F30 | 1105 |
DN1200 | 1155 | 758 | 1455 | 630 | 1380 | 39 | 32 | 100 | 28 | 16 | 170 | F35 | 1661 |
| A | B | ØC | F | ØD | ØE | N | ØG | K | H | L | ISO5211 | Weight |
DN100 | 270 | 126 | 220 | 64 | 180 | 18 | 8 | 18 | 6 | 6 | 20 | F05 | 19 |
DN125 | 287 | 141 | 250 | 70 | 210 | 18 | 8 | 18 | 6 | 6 | 20 | F05 | 25 |
DN150 | 310 | 158 | 285 | 76 | 240 | 22 | 8 | 22 | 6 | 6 | 25 | F07 | 34 |
DN200 | 340 | 189 | 340 | 89 | 295 | 22 | 12 | 28 | 8 | 7 | 35 | F10 | 52 |
DN250 | 380 | 221 | 405 | 114 | 355 | 26 | 12 | 28 | 8 | 7 | 35 | F10 | 85 |
DN300 | 410 | 249 | 460 | 114 | 410 | 26 | 12 | 36 | 10 | 8 | 45 | F12 | 110 |
DN350 | 445 | 282 | 520 | 127 | 470 | 26 | 16 | 48 | 14 | 9 | 55 | F14 | 123 |
DN400 | 480 | 312 | 580 | 140 | 525 | 30 | 16 | 48 | 14 | 9 | 55 | F14 | 159 |
DN450 | 565 | 342 | 640 | 152 | 585 | 30 | 20 | 50 | 14 | 9 | 70 | F16 | 203 |
DN500 | 615 | 380 | 715 | 152 | 650 | 33 | 20 | 55 | 16 | 10 | 70 | F16 | 255 |
DN600 | 690 | 446 | 840 | 178 | 770 | 36 | 20 | 65 | 18 | 11 | 100 | F25 | 393 |
| A | B | ØC | F | ØD | ØE | N | ØG | K | H | L | ISO5211 | Weight |
DN100 | 285 | 141 | 235 | 64 | 190 | 22 | 8 | 18 | 6 | 6 | 20 | F05 | 22 |
DN125 | 307 | 161 | 270 | 70 | 220 | 26 | 8 | 20 | 6 | 6 | 25 | F07 | 28 |
DN150 | 325 | 173 | 300 | 76 | 250 | 26 | 8 | 22 | 6 | 6 | 35 | F10 | 38 |
DN200 | 360 | 199 | 360 | 89 | 310 | 26 | 12 | 28 | 8 | 7 | 35 | F10 | 59 |
DN250 | 400 | 231 | 425 | 114 | 370 | 30 | 12 | 36 | 10 | 8 | 45 | F12 | 100 |
DN300 | 435 | 265 | 485 | 114 | 430 | 30 | 16 | 48 | 14 | 9 | 55 | F14 | 127 |
DN350 | 480 | 300 | 555 | 127 | 490 | 33 | 16 | 48 | 14 | 9 | 55 | F14 | 151 |
DN400 | 570 | 332 | 620 | 140 | 550 | 36 | 16 | 55 | 16 | 10 | 70 | F16 | 205 |
DN450 | 595 | 357 | 670 | 152 | 600 | 36 | 20 | 55 | 16 | 10 | 70 | F16 | 248 |
DN500 | 630 | 391 | 730 | 152 | 660 | 36 | 20 | 65 | 18 | 11 | 100 | F25 | 308 |
DN600 | 845 | 448 | 845 | 178 | 770 | 39 | 20 | 75 | 20 | 12 | 125 | F30 | 477 |
| A | B | ØC | F | ØD | ØE | N | ØG | K | H | L | ISO5211 | Weight |
DN100 | 280 | 131 | 230 | 64 | 190,5 | 19 | 8 | 18 | 6 | 6 | 20 | F05 | 21 |
DN125 | 292 | 143 | 255 | 70 | 215,9 | 22 | 8 | 22 | 6 | 6 | 25 | F07 | 26 |
DN150 | 305 | 156 | 280 | 76 | 241,3 | 22 | 8 | 22 | 8 | 7 | 25 | F07 | 33 |
DN200 | 345 | 191 | 345 | 89 | 298,5 | 22 | 8 | 28 | 8 | 7 | 35 | F10 | 56 |
DN250 | 380 | 221 | 405 | 114 | 362 | 25 | 12 | 36 | 10 | 8 | 45 | F12 | 91 |
DN300 | 435 | 265 | 485 | 114 | 431,8 | 25 | 12 | 48 | 14 | 9 | 55 | F14 | 134 |
DN350 | 460 | 290 | 535 | 127 | 476,3 | 28 | 12 | 48 | 14 | 9 | 55 | F14 | 139 |
DN400 | 545 | 320 | 595 | 140 | 539,8 | 28 | 16 | 55 | 16 | 10 | 70 | F16 | 185 |
DN450 | 560 | 340 | 635 | 152 | 577,9 | 31 | 16 | 55 | 16 | 10 | 70 | F16 | 215 |
DN500 | 600 | 376 | 700 | 152 | 635 | 31 | 20 | 65 | 18 | 11 | 100 | F25 | 273 |
DN600 | 665 | 433 | 815 | 178 | 749,3 | 34 | 20 | 72 | 20 | 12 | 100 | F25 | 405 |
Tehnički i savjetodavni
Kontaktirajte nas za tehničke informacije i savjetovanje
Naš tim stoji vam na raspolaganju za sva pitanja vezana uz specifikacije, izvedbu i primjenu proizvoda u vašem sustavu.



